
| 型号 | D6T-44L-06/06H | D6T-8L-09/09H | D6T-1A-01 | D6T-1A-02 | D6T-32L-01A |
|---|---|---|---|---|---|
| 电源电压 | DC4.5V~5.5V | ||||
| 保存温度范围 | −10 ~ 60°C | −20 ~ 80°C | −40 ~ 80°C | −20 ~ 80°C | |
| 使用温度范围 | 0 ~ 50°C | 0 ~ 60°C | −10 ~ 70°C | ||
| 储存湿度范围* | 85% 以下. | 95% 以下. | |||
| 使用湿度范围* | 20% ~ 85% | 20% ~ 95% | |||
* 不结冰、凝露
| 型号 | D6T-44L-06/06H | D6T-8L-09/09H | D6T-1A-01 | D6T-1A-02 | D6T-32L-01A | |
|---|---|---|---|---|---|---|
| 视野角度*¹ | X 方向 | 44.2° | 54.5° | 58.0° | 26.5° | 90° |
| Y 方向 | 45.7° | 5.5° | ||||
| 对象物温度输出精度*² | 精度 1 |
±1.5℃以内 测量条件 :Vcc=5.0V ①Tx=25℃,Ta=25℃ ②Tx=45℃,Ta=25℃ ③Tx=45℃,Ta=45℃ |
±3.0℃以内 测量条件 :Vcc=5.0VTx=25℃、Ta=25℃ 中央16像素区域 | |||
| 精度 2 |
±3.0℃以内 测量条件 :Vcc=5.0V④Tx=25℃,Ta=45℃ |
±5.0℃以内 测量条件 :Vcc=5.0V Tx=80℃、Ta=25℃ 中央16像素区域 | ||||
| 消耗电流 | Typ. 5mA | Typ. 3.5mA | Typ. 19mA | |||
| 型号 | D6T-44L-06/06H | D6T-8L-09/09H | D6T-1A-01 | D6T-1A-02 | D6T-32L-01A |
|---|---|---|---|---|---|
| 对象物温度检测范围*2 | 5~50℃/5~200℃ | 5 ~ 50°C | −40 ~ 80°C | 0 ~ 200°C | |
| 环境温度检测范围*2 | 5 ~ 45°C | 0 ~ 80°C | |||
| 输出规格 | 向串行通信端口输出与对象物温度(Tx)、参照温度(Ta)对应的数字值 | ||||
| 输出形态 | Binary Code(检测温度[℃]的10倍) | ||||
| 通信形态 | I2C 形态 | ||||
| 温度分辨率(NETD)*3 | 0.06°C | 0.03°C | 0.02°C | 0.06°C | 0.33°C *4 |
佰利乐 *1 请参阅
*2 请参阅
*3 参考数据
*4 为中央4个像素的平均值





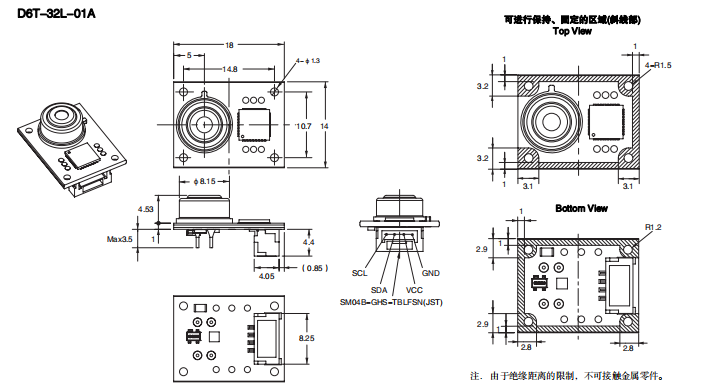
| 名称 | 端子 | 功能 | 备注 |
|---|---|---|---|
| GND | 1 | 接地 | – |
| VCC | 2 | 正电源电压输入 | – |
| SDA | 3 | 串行数据输入输出线 | 请将开漏、SDA连接至上拉电阻。 |
| SCL | 4 | 串行时钟输入 | 请将开漏、SCL连接至上拉电阻。 |
注. 视野角度的定义:以改变传感器角度时的最大传感器输出为基准,将传感器输出
可达其50%以上的角度范围定义为视野角度。

















电话咨询
QQ咨询
微信咨询
回到顶部