佰利乐

元器件&模块解决方案

全国服务热线

400 1386 882

139 0230 5242

鼎悦电子带你了解欧姆龙微动开关V-15-1C25

佰利乐 2021-02-05

微动开关其实非常的常见,它主要用在如电脑鼠标、汽车鼠标器、汽车电子产品、通讯设备、军工产品,测试仪器、燃气热水器、燃气热水器、煤气灶、小家电、微波炉、电饭锅、浮球设备配套、医疗器械、楼宇自动化、电动工具及一般电气和无线电设备、24小时定时器等.


欧姆龙(OMRON)微动开关V-15-1C25主要应用于工业设备、电子电器、自动化控制、家电器具、仪器仪表、通信设备、医疗器械、交通工业等行业

V系列是追求可靠性、安全性的小型基本开关

详细说明】

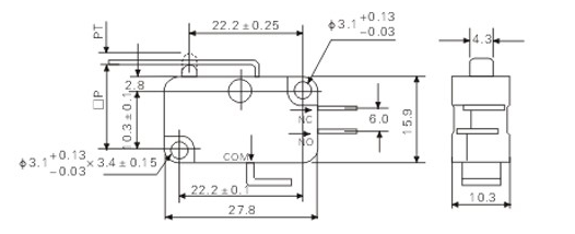
1.外形尺寸图


2.欧姆龙微动开关V型特点如下


● 10A到21A型品种丰富齐全,是欧姆龙畅销的小型开关之一。

●还可用于开关门时的电流切断等用途。

●备有热塑性外壳和热固性外壳2种类型。

●还具有耐热、抗追踪性等,可满足客户的不同要求


电话咨询
彩运网888 - 首页 美彩国际(中国)有限公司 2468彩票网 富彩vip登录|首页 彩运网888 - 首页 1336cc盈彩网 - 首页 9759彩集团 - 首页 U9彩票799cc-u9彩票799绿色-绿色U9彩票旧版-u9彩票799手机版