2017-08-24
通信行业用的继电器经过近些年的技术发展将在今后继续增长,占到全球继电器市场的四分之一,在电信领域、无线通信、宽带输送接入等大环境需求的推动下,已成为机电式继电器更新换代的新平台和下一代通信技术加速完善的助推器。
通信领域中发展最快、应用最广的就是无线通信技术。而无线通信 技术又有着集成化、低功耗、易操作的发展趋势。目前一些只由微控制器和高频继电器构成的无线通信模块不断推出这种微功率短距离无线数据传输技术在工业、民用等领域得到应用广泛。高频继电器的技术作为现今时代最有发展前景的信息技术之一已经得到业界的高度重视。该技术利用射频方式进行非接触双向通信可以自动识别目标对象并获取相关数据具有精度高、适应环境能力强、抗干扰强、操作快捷等许多优点。
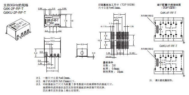
以此无线通信、无线传输等行业仅需体积更小,适用于表面装贴的1GHz/3GHz频段小型2极高频继电器,额定消耗电力100mW的高灵敏度,高可靠性,搞干扰性能优良的高频继电器如图所示:
例如欧姆龙高频继电器的尺寸大小更符合通信行业应用:如下图

目前市场需求越来越大,未来通讯行业发展所需用的新型通信继电器将成为其发展方向。通信继电器技术已日渐成熟,并在移动通信的展开,为其提供良好的市场前景。
电话咨询
QQ咨询
微信咨询
回到顶部